產品列表 / products
變壓器直流電阻測試儀康登電氣叫你怎么使用
直流電阻的測量是變壓器、互感器、電抗器、電磁操作機構等感性線圈制造中半成品、成品出廠試驗、安裝、交接試驗及電力部門預防性試驗的必測項目,能有效發現感性線圈的選材、焊接、連接部位松動、缺股、斷線等制造缺陷和運行后存在的隱患。為了滿足感性線圈直流電阻快速測量的需要,我公司利用自身技術優勢研制了直流電阻測試儀。該儀器采用全新電源技術,具有體積小、重量輕、測試量程寬、抗干擾能力強、保護功能完善、大屏彩色液晶顯示等特點。整機由單片機控制,自動完成自檢、數據處理,具有自動放電和放電指示功能。儀器測試精度高,操作簡便,可實現直阻的快速測量。
一.變壓器直流電阻測試儀測試與操作方法
1、測試接線:將被測試品通過專用測試線與本機接線柱連接,連接牢固,同時把地線接好。
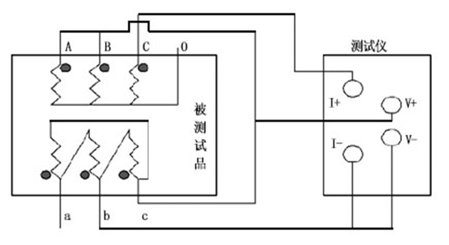
A: 單相測量法,見下圖

圖二
B、助磁法接線見圖三~五(適用于Y(N)-d-11聯接組別)。

圖三

圖四

圖五
對于大容量的變壓器的低壓側測量時,如果在既有的情況下,直流電阻測試儀的最大電流比較小,或者為了加快測量速度,可選擇助磁法測量。下圖中,圖三、圖四、圖五分別為測量低壓Rac、Rba、Rcb的接線方法。
二、變壓器直流電阻測試儀 操作方法
(1)開機測試:接入交流220V電源線,打開電源開關,儀器顯示“變壓器直流電阻測試儀",幾秒鐘以后進入主界面,顯示如下圖:

圖六
按
/
/
/
/
鍵可以將光標在各個主菜單之間循環滾動。
(2)測試電流選擇:將光標移動到“直阻測試"主菜單,然后按確認鍵進入電流選擇界面,如下圖所示:

圖七
根據被測試品選擇對應的測試電流檔,按
/
鍵選擇測試電流檔位。
(3)直阻測試:測試電流選好以后,按確認鍵開始測試,進入直阻測試界面。液晶顯示“充電中",如下圖所示:

圖八
等待測試電流穩定過程中,可以設置測試參數。按
/
鍵在測試繞組、測試相別、當前分接、試品溫度和折算溫度各參數之間循環選中,當光標選中某一參數時,按![]()
鍵修改該項的參數值。
待測試電流值穩定后,儀器自動計算并顯示試品當前溫度下的測試電阻值,并且同時顯示折算溫度下的折算電阻值。顯示如下:

圖九
測試完成后如果需要打印測試數據,按儀器面板上的打印鍵即可打印測試數據,如下圖所示:

圖十
測試完成后需要存儲當前數據,按儀器面板上的保存鍵即可。如下圖所示:

圖十一
測試完畢后,按返回鍵,儀器測試電流斷開,同時放電,液晶顯示界面有正在放電提示,同時有音響報警。如下圖所示:

圖十二
放電完畢,液晶回到主界面菜單。
注意:測試有載調壓變壓器或其它感性負載時,請一定要等到放電報警音結束后,再重新接線進行下次測量,或關斷電源拆下測試線!
(4)記錄查詢:開機主菜單界面(圖六),將選擇光標移動到記錄查詢菜單,按確定鍵,進入測試記錄界面分為“無測試記錄"和“有測試記錄"兩種情況.。
無測試數據時顯示如圖十三:

圖十三
有測試數據時顯示如圖十四:
/
鍵光標在刪除記錄、全部刪除、記錄導出之間循環選中。
按
/
鍵可以逐條瀏覽測試記錄。

圖十四
記錄導出:光標移到記錄導出選項,儀器插上U盤(液晶顯示器右下角出現U盤圖標),按確定鍵可以將當前存儲的數據導出到U盤內。
刪除記錄:光標移到刪除記錄選項,按確定鍵,刪除當前單條記錄。
全部刪除:光標移到全部刪除選項,按確定鍵,出現全部刪除提示框,然后再按確定鍵可以將本機存儲的所有數據一次性全部刪除,完成后顯示無測試記錄圖十三。
操作完成,按返回鍵退出記錄查詢菜單,返回到主菜單。
(5)時間校正:開機主菜單界面(圖六),將選擇光標移到時間校正菜單,按確定鍵,進入時間校正子菜單,顯示如下圖:

圖十五
在時間校正界面下按
/
鍵光標在年、月、日、時、分、秒各選項間循環滾動,光標選中某一選項,按
/
鍵修改選項的數值,時間校正完畢后,按返回鍵退出時間設置。
(6)通訊設置:開機主菜單界面(圖六),將選擇光標移到通訊設置菜單,按確定鍵,則進入通訊設置子菜單,顯示如下圖:

圖十六
按
/
鍵光標在波特率值和通訊地址選項間循環選中,當選中某一參數值后,按
/
鍵修改該參數值,按返回鍵返回上一級菜單。
1、在測量無載調壓變壓器倒分接線前一定要等放電結束后,報警聲停止,方可切換分接點。
2、拆線前,一定要等放電結束后,報警聲停止,關斷電源后,再進行拆線。
3、選擇電流時要參考技術指標欄內量程,不要超過量程和欠量程使用。超量程使用時,由于電流達不到預設值,即使強行繼續測試結果穩定性太差。欠量程時,電流太小,對于大容量變壓器數據不穩定。當出現此兩種狀態時要確認量程,選擇合適的量程進行測試。